您現在所在位置:大田閥門 >> 襯氟閥門(襯里閥門)
設計與制造:GB12239
結構長度:GB12221、JB1688
法蘭連接尺寸:GB4216、JB78
G41F(無襯里)、G41Fs(襯氟塑料)堰式隔膜閥專用于控制非腐蝕性或強腐蝕性介質,閥體內腔表面無襯里或覆有可供選擇的各種氟塑料,適用于不同工作溫度和流體管路。
適用溫度:≤85℃、≤100℃、≤120℃、≤150℃、(可按照襯里和隔膜材料)
壓力等級:0.6、1.0、1.6
襯里層:電火花檢測
實驗與檢驗按GB/T13927標準
公稱壓力:PN閥體:PN×1.5 密封:PN×1.1
材料: 閥體:鑄鐵、球墨鑄鐵、碳鋼、不銹鋼 閥蓋:鑄鐵、球墨鑄鐵、碳鋼、不銹鋼
襯里:無襯里、氟塑料 隔膜:氟塑料
閥瓣:鑄鐵、不銹鋼
閥桿:碳鋼、不銹鋼
手輪:鑄鐵

隔膜閥是一種特殊形式的截斷閥
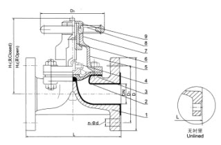
1、閥體2、閥體襯里3、隔膜4、閥瓣5、閥蓋6、閥桿7、閥桿螺母8、手輪9、鎖緊螺母
| 公稱通徑 | 公稱壓力 | 工作壓力 | L | D | D1 | n-Фd | f | H1 | H2 | D0 | 質量 |
|---|---|---|---|---|---|---|---|---|---|---|---|
| 15 | 1.0 | 1.0 | 125 | 95 | 65 | 4-14 | 2 | 100 | 4.5 | ||
| 20 | 135 | 105 | 75 | 4-14 | 2 | 100 | 4.5 | ||||
| 25 | 145 | 115 | 85 | 4-14 | 2 | 121 | 135 | 120 | 5 | ||
| 332 | 160 | 140 | 100 | 4-18 | 2 | 132 | 150 | 120 | 7 | ||
| 40 | 180 | 150 | 110 | 4-18 | 3 | 156 | 175 | 140 | 9 | ||
| 50 | 210 | 165 | 125 | 4-18 | 3 | 169 | 195 | 140 | 12.5 | ||
| 65 | 0.6 | 250 | 185 | 145 | 4-18 | 3 | 200 | 236 | 200 | 19 | |
| 80 | 300 | 200 | 160 | 4-48 | 3 | 216 | 256 | 200 | 25.5 | ||
| 100 | 350 | 220 | 180 | 8-18 | 3 | 270 | 322 | 280 | 40 | ||
| 125 | 400 | 250 | 210 | 8-18 | 3 | 338 | 406 | 320 | 62 | ||
| 150 | 460 | 285 | 240 | 8-22 | 3 | 384 | 464 | 320 | 80.5 | ||
| 200 | 0.4 | 570 | 340 | 295 | 8-22 | 4 | 518 | 638 | 400 | 146 | |
| 250 | 680 | 395 | 350 | 12-22 | 4 | 598 | 724 | 500 | 240 | ||
| 300 | 790 | 445 | 400 | 12-22 | 4 | 698 | 778 | 500 | 334 | ||
| 350 | 900 | 505 | 460 | 16-22 | 4 | 723 | 883 | 500 | 371 | ||
| 400 | 0.25 | 1000 | 565 | 515 | 16-25 | 4 | 868 | 1078 | 640 | 584 |
溫馨提示:
本文中所有文字、數據、圖片均只適用于參考。需要查看更多的G41F(無襯里)、G41Fs(襯氟塑料)堰式隔膜閥性能參數、結構尺寸參數、價格等詳情,或要求印刷樣本,請聯系我們。