
美標蝶閥是公司工程技術人員研制開發的新一代高性能產品,其性能已處于國內外先進水平、廣泛適用于低壓、中壓、高壓、鋼鐵冶金、石油、化工、電力等工業管道上作截斷或調節介質流量用。 美標蝶閥采用三維偏心斜錐形閥座密封副,蝶板密封采用新型金屬片與彈性材料層疊而成,嵌裝在蝶板上與閥座吻合。利用蝶板擺動壓緊密封,所以密封面摩擦阻力小,關閉是具有越關越緊功能,這樣密封性能可靠,開啟確保密封面完全脫離接觸,保證了密封面不受損傷。 美標蝶閥結構特點排除了其它類型蝶閥開過位而不能密封的缺點, 且在高曙下能正常使用,克服了其它類型閥門在高溫下使用時因熱膨脹而容易泄漏的缺點。 該蝶閥根據使用介質要求,選用不同密封面材料,以保證密封面耐磨損、耐沖刷、耐腐蝕、使用壽命長。
設計標準:API609
法蘭連接尺寸:ANSI B16.5
結構長度:ANSI B16.10
壓力試驗:API598
815、830系列美標蝶閥的主要結構特征為對夾式和法蘭式三偏心結構,而815、830L系列美標蝶閥的主要結構特征為閥體周邊帶凸兒且設計成帶螺孔單法蘭結構。815、830系列美標蝶閥廣泛應用于石油、化工及工業環保水處理、高層建筑、給排水等管道上。其特點為:由于采用的是三偏心結構,密閉性能可靠,確保開啟時蝶板不接觸密封座,消除了密封座 不均勻負載,延長了使用壽命,確保可靠的密封性能,具有耐高溫、耐磨損、耐腐蝕等優點。

| 公稱通徑 | DN | 830W | 830L |
|---|---|---|---|
| 2″~36″ | 2″~36″ | ||
| 公稱壓力 | PN | 150Lb | 300 Lb |
| 試壓泵壓力 | 強度實驗 | 3.0 | 7.5 |
| 密封實驗 | 2.2 | 5.5 | |
| 適用介質 | 水、蒸汽、油品、海水 | ||
| 驅動形式 | -29℃~425℃ | ||
| 零件名稱 | 材質 |
|---|---|
| 閥體 | WCB、304、316、316SS、CF8M |
| 閥瓣 | WCB、304、316、316SS、CF8M |
| 閥桿 | 316、2Cr13、1Cr18Ni9Ti |
| 密封圈 | 316、氟塑料 |
| 填料 | 柔性石墨 |
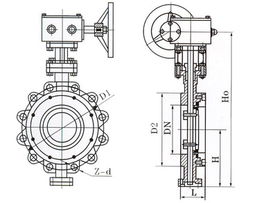
| 產品名稱 | 公稱通徑 | 結構長度(標準值) | 外形尺寸(參考值) | 連接尺寸(標準值) | 參考重量 | |||||||||||||||
|---|---|---|---|---|---|---|---|---|---|---|---|---|---|---|---|---|---|---|---|---|
| L | L1 | H | H0 | D | D1 | D2 | M | Z-d | ||||||||||||
| inch | mm | inch | mm | inch | mm | inch | mm | inch | mm | inch | mm | inch | mm | inch | mm | |||||
| 美標815W系列 | 2″ | 80 | 1.69 | 43 | 4.25 | 108 | 4.33 | 110 | 13.58 | 345 | ||||||||||
| 3″ | 80 | 1.94 | 49 | 4.50 | 114 | 4.92 | 125 | 14.96 | 380 | |||||||||||
| 4″ | 100 | 2.19 | 56 | 5.00 | 127 | 5.70 | 145 | 16.34 | 415 | |||||||||||
| 5″ | 125 | 2.50 | 64 | 5.50 | 140 | 6.50 | 165 | 17.91 | 455 | |||||||||||
| 6″ | 150 | 2.75 | 70 | 5.50 | 140 | 6.89 | 175 | 21.45 | 545 | |||||||||||
| 8″ | 200 | 2.81 | 71 | 2.90 | 150 | 8.26 | 210 | 24.21 | 645 | |||||||||||
| 10″ | 250 | 3.00 | 76 | 6.30 | 160 | 9.84 | 250 | 27.36 | 695 | |||||||||||
| 12″ | 300 | 3.38 | 86 | 7.00 | 178 | 11.24 | 285 | 32.78 | 830 | |||||||||||
| 14″ | 350 | 3.63 | 92 | 7.50 | 190 | 12.60 | 320 | 35.43 | 900 | |||||||||||
| 16″ | 400 | 4.00 | 102 | 8.50 | 216 | 13.98 | 355 | 38.58 | 980 | |||||||||||
| 18″ | 450 | 4.50 | 114 | 8.74 | 222 | 14.96 | 380 | 40.55 | 1030 | |||||||||||
| 20″ | 500 | 5.00 | 127 | 9.00 | 229 | 16.34 | 415 | 43.70 | 1110 | |||||||||||
| 24″ | 600 | 6.06 | 154 | 10.50 | 267 | 18.70 | 475 | 51.37 | 1305 | |||||||||||
| 30″ | 750 | 6.50 | 165 | 11.50 | 292 | 22.38 | 580 | 60.03 | 1525 | |||||||||||
| 32″ | 800 | 7.50 | 190 | 12.50 | 318 | 24.80 | 630 | 62.40 | 1585 | 41 | ||||||||||
| 36 | 900 | 8.00 | 203 | 13.00 | 330 | 26.77 | 680 | 69.48 | 1765 | 64.00 | ||||||||||